Join our next-gen, project-based tertiary learning programs now, as that's where the VLSI jobs are. Don't miss out on the opportunity to be part of the future of semiconductor design and development. The post Accelerating the Future of Semiconductor Talent with VSD & IESA appeared first on VLSI System Design.| VLSI System Design
Water level monitoring and control in water tank Introduction A water level monitoring system uses an ultrasonic sensor to measure the distance to the water […]| VLSI System Design
Creativity is just connecting things VSD: Leading Community Aggregator for Semiconductor and EdTech Solution Open to Innovate Open-source Hardware Journey “When the best design works, […]| VLSI System Design
Overview| VLSI System Design
Overview| VLSI System Design
VSD – Physical Design Flow | VLSI System Design
X| VLSI System Design
Above image captures a moment from an event at NIAS, IISc Bangalore, where high school students, finalists of a chip design program, amazed everyone by explaining digital chip design and Physical Design with a level of sophistication beyond expectations.| VLSI System Design
The Soldier Health Monitoring and Position Tracking System allows the military personnel to track the current GPS position of a soldier and also checks the health status by detecting heartbeat of a soldier in realtime.| VLSI System Design
Menu| VLSI System Design
An automatic light system is a setup designed to automatically control the lighting based on the presence or absence of individuals within its detection range. This system will also give the indication of motion detected by blinking the led 3 times.| VLSI System Design
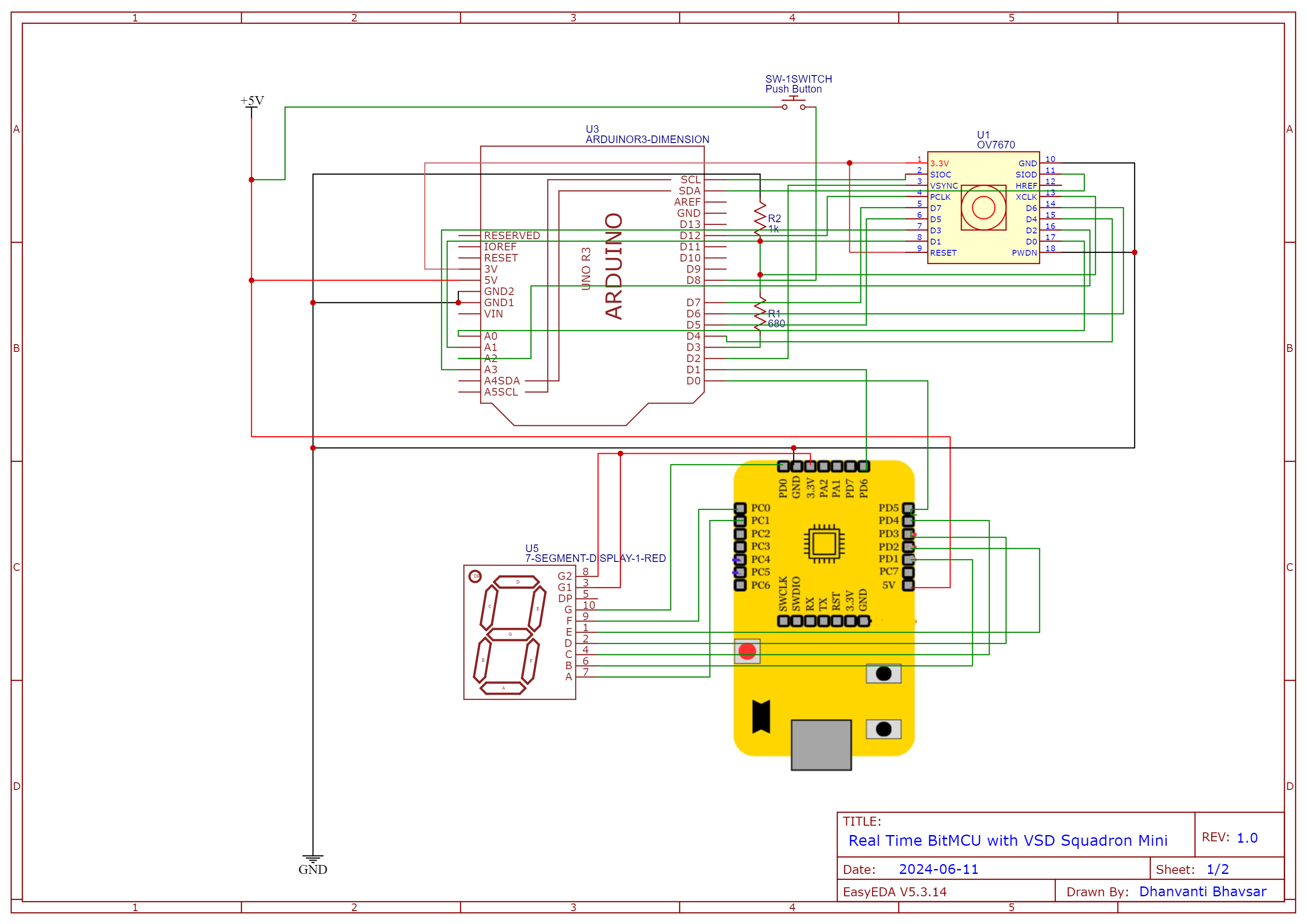
This implementation has been forked and edited to support VSDSquadron Real Time implementation from BitNetMCU: High Accuracy Low-Bit Quantized Neural Networks on a low-end Microcontroller| VLSI System Design
Task-1 : Installing the Oracle Virutal Machine and running Basic C Program| VLSI System Design
Hackathon: A Gateway to the Future The Next-Gen Innovative Tech Hackathon at the ELCIA Tech Summit 2024 is not just an event; it's a movement towards a sustainable and technologically advanced future. With the theme "Sustainable is Attainable," this hackathon invites young minds to harness the power of deep tech, sustainability, and technology for good. The event is set to take place at the prestigious IIIT-Bengaluru from June 6th to July 25th, 2024, promising a platform for innovation and br...| VLSI System Design
Welcome to a milestone in the world of VLSI and semiconductors - the VSDOpen2023. This year’s conference is not just another event; it's a defining moment that promises to reshape the contours of the industry.| VLSI System Design
Overview| VLSI System Design